Đặc điểm nổi bật của Robot gắp QJR6-1
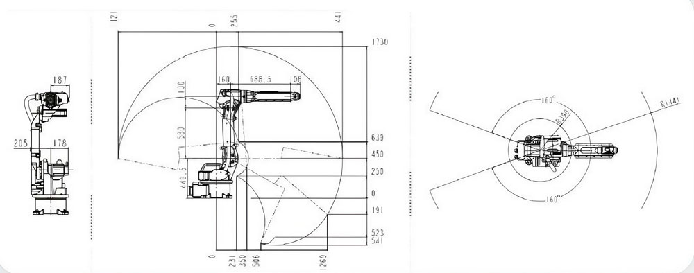
- Thiết kế nhỏ gọn – không gian làm việc lớn: Với cấu trúc 6 trục, robot gắp QJR6-1 có sải tay 1.441 mm và khả năng lặp lại định vị chính xác ±0.03 mm. Thiết kế nhỏ gọn nhưng vẫn bao quát vùng làm việc rộng, phù hợp nhiều môi trường sản xuất khác nhau.
- Lắp đặt linh hoạt ở nhiều vị trí: Robot 6 trục có thể được gắn trên sàn, tường hoặc treo ngược trên trần nhà, giúp tối ưu không gian xưởng và bố trí linh hoạt theo dây chuyền sản xuất.

- Khả năng phản hồi nhanh – độ chính xác cao: Tốc độ tối đa lên tới 602°/s, kết hợp hệ thống điều khiển tiên tiến, robot đảm bảo thao tác nhanh nhạy, chính xác, phù hợp cho các công đoạn yêu cầu độ tinh xảo cao.
- Tốc độ và hiệu quả vượt trội: Với công suất điện 2.7 kVA, robot gắp vận hành tiết kiệm năng lượng, hiệu suất cao, giúp giảm thiểu chi phí nhân công, chiếm ít diện tích lắp đặt và dễ dàng vận hành, bảo trì.
Ứng dụng đa dạng của Robot gắp QJR6-1
Robot gắp QJR6-1 được thiết kế để đáp ứng nhiều nhu cầu sản xuất: hàn, phun phủ, xếp dỡ, phân loại, lắp ráp, đóng gói và xử lý nguyên vật liệu.
Phù hợp nhiều ngành công nghiệp: Robot đáp ứng dải tải trọng từ 3 kg – 210 kg và tầm với 750.6 mm – 2683.4 mm (nhiều model trong dòng QJR), thích hợp với các ngành:
- Thực phẩm
- Hóa dầu
- Dược phẩm
- Sản xuất linh kiện điện tử
- Dây chuyền cấp phôi tự động
- Logistics và kho vận
Với sự linh hoạt, tốc độ và độ chính xác vượt trội, robot gắp là lựa chọn lý tưởng cho doanh nghiệp đang tìm kiếm giải pháp robot tự động hóa tối ưu, giúp tăng năng suất và tối ưu chi phí sản xuất.
Để sở hữu robot gắp QJAR QJR6-1 chính hãng và dịch vụ chăm sóc tận tâm sau mua hàng, quý khách vui lòng liên hệ với Weldcom theo hotline. Hân hạnh đón tiếp!
Weldcom – Tổng thầu giải pháp tự động linh hoạt
Hotline: 1900 9410
Mail: sales@weldcom.vn
English

Đánh giá
Chưa có đánh giá nào.